充电桩设备具有核心技术企业有望更大程度受益市场投资机会
相关报告
- 数据更新中...
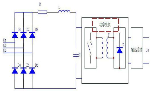
新能源汽车充电设备分为直流充电桩和交流充电桩。由于交流设备充电功率较小,同时不用在充电桩上实现电流交直流转换,所以充电设备简单,制造壁垒较低,供给市场比较分散。同时,酒店、家用住宅、政府办公楼、写字楼等常见的充电场所一般安装交流充电设备对新能源汽车提供慢充服务,所以交流充电设备下游需求也较分散。相比而言,直流充电设备主要用于公共场所,为新能源汽车提供快充服务,同时技术壁垒较高,所以直流充电设备的供应端和需求端市场集中度相对较高,特别是具有核心电源转换模块生产能力的公司,在产品能效转化率,综合产品性价比,以及可提供产品种类方面,将具有更明显的竞争优势。直流充电桩充电原理图

交流充电桩充电原理

国内部分上市公司直流充电设备比较


本文地址:http://www.zwzyzx.com/show-267-195163-1.html
上一篇:国网充电设备服务市场越来越聚焦
相关资讯
- 国内轴承行业主管部门、监管体制及主要政策(2016-04-27)
- PDC产业在全球正逐步实现产业转移(2015-08-07)
- 全球工业喷墨打印头市场份额情况(2015-01-27)
- 国内民爆行业主要生产厂家介绍(2014-06-13)
- 国际园林机械行业竞争格局(2015-02-12)
- 国内外注塑机行业内的主要企业和市场份额(2016-03-10)
- 换热器行业技术的发展趋势(2015-04-14)
- 我国军用直升机更新换代速度加快,未来5年市场空间超千亿(2016-09-22)
合作媒体
最新报告
定制出版
热门报告
免责声明
中为咨询所引述的资料是用于行业市场研究以及讨论和交流,并注明出处,部分内容是由相关机构提供。若有异议请及时联系本公司,我们将立即依据相关法律对文章进行删除或作相应处理。查看详细》》



